Car Anatomy

Car Anatomy and How a car Works in Diagram

  • CAR ANATOMY
    • Electric car
    • Truck Anatomy
      • Truck driving tips
      • Truck Suspension Types
    • Car Diagram
    • Vehicle Design Calculations
    • Car design process
    • Vehicle classification
  • ENGINE
    • How engine works
    • Crank Mechanism
    • Valve mechanism
    • Cooling system
    • Lubrication system
    • Start system
    • Fuel System
      • Simple Carburetor Diagram
      • Fuel Pump
  • TRANSMISSION
    • Clutch
    • Gearbox construction
    • Manual transmission
    • Propeller shaft
    • Main Drive Gear
    • Car Differential
    • Synchronizers
  • CHASSIS
    • Vehicle body construction
    • Vehicle Suspension Construction
    • Independent suspension
    • Suspension elastic elements
    • Car Wheel Anatomy
  • ELECTRIC CAR
    • Batteries for Electric cars
    • How Hybrid Cars Work
    • Battery lifetime
    • Electric Motors construction
    • Permanent magnet synchronous motor
    • Replacing electric car batteries
    • Electric Car Repair
    • Types of electric cars
    • How to charge Electric Car
    • Electric Traction Motor
    • Electric Car Assembly Technology
  • STEERING
    • Braking system Works
    • Steering Gear Diagram
    • Types of car brakes
    • How ABS Works
  • ELECTRICAL SYSTEM
    • Ignition System Diagram
    • Spark plug
    • Generator Construction
    • Electrical system
    • Ignition Coil
    • Ignition angle control
    • Ignition Distributor
    • Storage Battery
  • CAR REPAIR
    • Engine Overhaul
    • Suspension Repair
    • Car Painting
    • Engine Repair Cost
    • How to diagnose my car
    • Privacy Policy
 Posted in Car Electrical Diagram

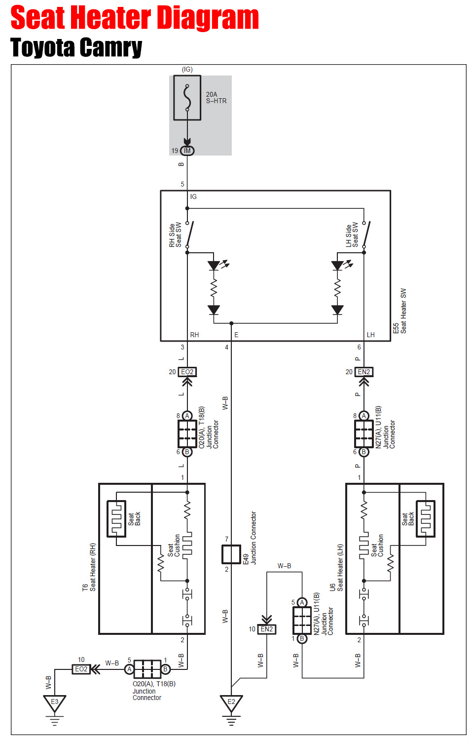
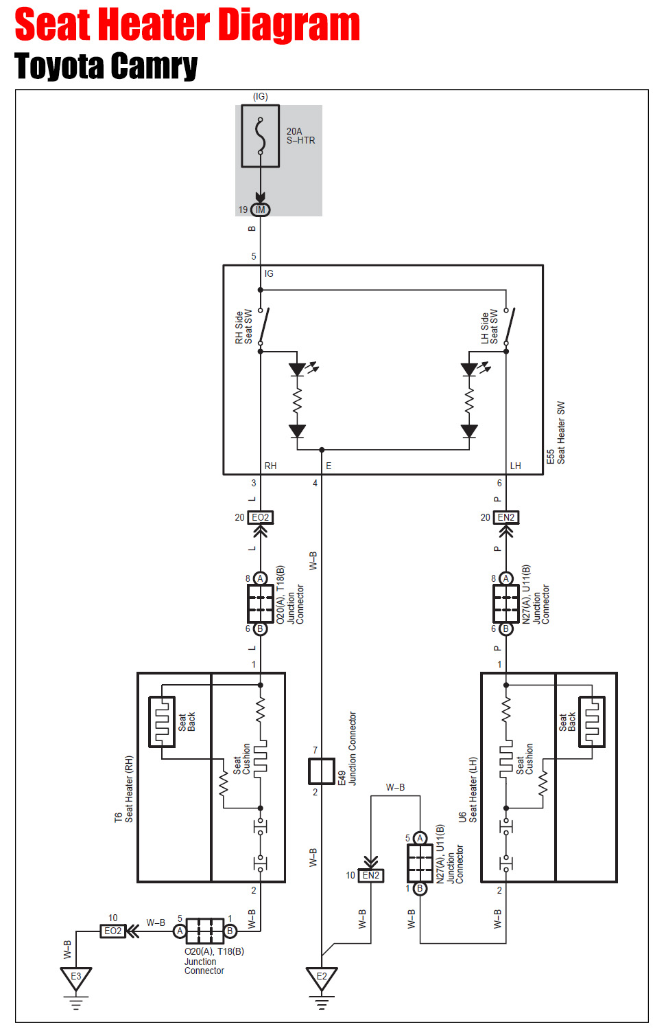
Seat Heater Diagram

 Alex Pavlenko  

Seat Heater Diagram for Toyota Camry

Author: Alex Pavlenko

Навигация по записям

← Power Seat Diagram
Combination Meter →

How a Car Works

  • Engine Construction
  • Electric Car
  • DIY Car Repair
  • Modern Cars
  • Tips for Drivers
  • Car Accessories
  • Vehicle Construction
  • Electrics
  • Car Electrical Diagram
  • Transmission
  • How A Car Works
  • Cheapest Car Insurance USA
  • Automotive Engineering
  • Car Brake System
  • Car Facts
  • Car News
  • Suspension Construction
  • BMW Workshop
  • Mobile Car Repair Dallas: Fast, Reliable On-Site Auto Services
  • A Smarter Way to Keep Your Rig Road-Ready
  • Air Suspension Repair Kit: How to Fix Suspension Problems Without Full Replacement
  • Vehicle Emissions Testing and Compliance Services: What Drivers Need to Know
  • Volvo VNL Bumper Solutions and Reliable Parts Supply for Working Fleets

Copyright © 2026 Car Anatomy

Car Anatomy and Repair, Electric car, Engine, How a car Works, Construction. The active reference to source is obligatory if you use materials of a site Car Anatomy