Anatomy
Truck Suspension Construction
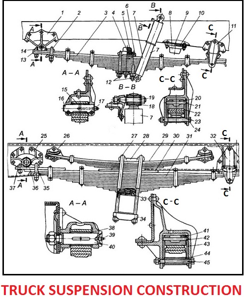
In this article, we will consider the front and rear suspension of a truck, which consists of two longitudinal leaf…
Vehicle Frame Components
Vehicle frame — is a rigid structure (also known as its chassis) , which is formed by two longitudinal spars connected…
Volvo Construction
Volvo XC 90 Construction Every one blogger is writing about general Vehicle Construction but this article provides information about Volvo…


