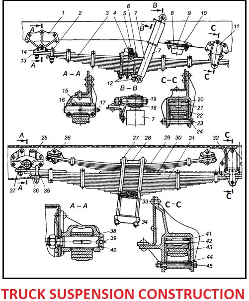
In this article, we will consider the front and rear suspension of a truck, which consists of two longitudinal leaf springs and two telescopic shock absorbers. The rear suspension of the truck consists of two main and two additional leaf springs. The front and rear springs consist of T-profile sheets and are mounted on the car chassis.
Truck suspension maintenance includes greasing the spring fingers and checking the attachment of the springs and shock absorbers.
Tightening of ladders is carried out in the following order:
- 1) evenly tighten the front and rear nuts with a tightening torque of 250-320 N * m.
- 2) check the tightness of the nuts of the ladders for attaching the ears of the front and rear springs. The tightening must be carried out before the spring washers of the truck suspension are compressed. Hauling is not desirable.
- 3) Filling of shock-absorbing liquid in the shock absorber is carried out according to the lubrication card. The cushioning fluid changes on the removed shock absorber.
To fill the shock-absorbing fluid, place the shock absorber vertically and fix it to the lower eye. Raise the shock absorber rod to the upper position, then unscrew the tank nut. To fill the working cylinder, it is necessary to remove the piston rod and pour 0.41 l of shock-absorbing liquid into the cylinder, which should completely cover it. Excess liquid is drained into the shock absorber tank. The shock absorber is assembled in the reverse order. When pouring liquid, dirt and sand are not allowed to enter the shock absorber, as this can lead to quick and premature wear.
Truck suspension construction:

a — front; b — back; 1 and 25 — front brackets; 2, 12, 27 and 35 — stepladders; 3 — a front spring; 4 — latch; 5 and 8 — spring buffers; 6i 2 (9 — pads; 7 — shock absorber; 9 — clip; 10 and 33 — spacers; 11 and 32 — rear brackets; 13i 36 — lining of the ears of springs; 14i 57 — ears of springs; 15 and 38 — bushings of ears; 16 and 40 — spring fingers; 17 and 39 — grease fittings; 18 — rubber sleeve; 19 — shock absorber finger; 20 and 41 — crackers; 21 and 42 — cracker fingers; 22 and 43 — inserts; 23 and 44 — coupling bolt bushings; 24 and 45 — coupling bolts; 26 — additional spring bracket; 29 — additional spring; 30 — intermediate sheet; 31 — rear spring; 34 — step ladder lining.